「全段差動全段直結真空管OTLアンプ 交流ラウンジ」
* 意見交換などのページです 下のコメント欄へ書き込んで下さい
=====
真空管回路設計に自信のある あなた !
全段差動全段直結真空管OTLアンプの設計に挑戦して見ませんか ?
より良い音色、原音再生、を諦めず挑戦する先進的な皆さんの交流の場として開設します
質問やコメント、大歓迎します。

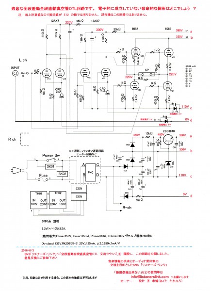
頭が燃えるほど考え抜きましたが、真空管回路を深くは知らない私でさえ、矛盾しない回路を考えだしました。
アンプ設計が大好きで脳力のあるアナタなら、私が実用新案に申請した3種類の回路以外の回路を思いつく可能性がおおいに有ります。
その回路をコピーして製作するのはアナタにとって安易すぎるはずです。なので公開しませんが(笑)私が最初に考えだした時の「もう少しで全段差動全段直結OTLが成立しそうで成立せず、残念だった回路」と保護回路2種を公開しますのでヒントになればと思います 私のアンプの直結部は段間カップリングにコンデンサやトランスやチョーク、トランジスタ、FETを使用していませんので、理論的にも高音質になるのです
「全段差動全段直結真空管OTL 交流ラウンジ」を 音楽とオーディオ愛好家のSNS「リスナーズ・リンク」のニュースページへ開設し、2016年6月3日に「残念な回路」「2種の保護回路 DCバランスサーボとスピーカー保護回路」を掲示しました。あれやこれや、質問にも答えます。「交流ラウンジ」では量産型の製作模様も随時アップする予定です
挑戦しようと思っているアナタ 様子、成り行きを見学したいアナタ も差動直結OTLの回路を成立させる頭脳ゲームを楽しみませんか? めちゃ楽しいはずですよ
特許や実用新案申請されている回路でも販売をせず個人で数台製作し、楽しむのは何ら問題はありません勿論、新回路を考えだした時には依頼して貰えれば実用新案申請の支援も出来ますよ。
「残念な回路!」 電子的に成立していない致命的な個所はどこでしょう? (印刷出来ます)

DCバランスサーボ スピーカー端子に直流電圧が出ない様に自動バランスさせます(印刷出来ます)

スピーカー保護回路 SPを切り離します(印刷出来ます)
